產品分類
PRODUCT- 手持氣象站
- 手持氣象儀
- 袖珍氣象站
- 便攜式氣象站
- 便攜式氣象儀
- 碳纖維便攜式氣象站
- 車載氣象站
- 自動氣象站
- 超聲波氣象站
- 化工自動氣象站
- 森林氣象站
- 校園氣象站
- 雪深監測站
- 輸電線路氣象站
- 雷電預警系統
- 機場氣象站
- 高精度風蝕自動氣象站
- 海洋氣象站
- 可升降避雷針
- 夜視儀
- 北斗環境監測站
- 氣象傳感器
- 水文監測系統
- 農業氣象站
- 草原氣象站
- 交通氣象站
- 光伏氣象站
- 景區氣象站
聯系我們
山東風途電子科技有限公司
服務熱線:16652863761
客服QQ:2749609891
客服微信:16652863761
公司地址:山東省濰坊市高新區光電路155號光電產業加速器(一期)

一、五要素車載氣象站產品簡介
五要素車載氣象站又稱五要素車載移動氣象站,五要素車載氣象站是一款可移動,放在汽車頂部的氣象站,采用五要素一體式傳感器,便于移動監測的高精度自動氣象觀測設備。FT-CZ5五要素車載氣象站是一款高度集成、低功耗、可快速安裝、便于移動監測的高精度自動氣象觀測設備。
廣泛運用于氣象、農林、環保、海洋、機場、港口、科學考察、校園教育等領域。
五要素車載氣象站采用五要素一體式傳感器,可對風速、風向、空氣溫度、濕度、大氣壓力等氣象要素進行實時觀測,傳感器外殼采用進口ABS材質,更有效對抗鹽霧等環境,防護等級達到IP65以上。
標配485轉USB線,可以連接筆記本或者pad直接讀取數據。客戶可根據自身情況,隨機選配pad一臺。
二、五要素車載氣象站產品特點
1、頂蓋隱藏式超聲波探頭,避免雨雪堆積的干擾,避免自然風遮擋
2、原理為發射連續變頻超聲波信號,通過測量相對相位來檢測風速
3、設備底部配備高強度磁鐵(橡膠包裹),可無損吸附于車頂
4、減震手提箱,方便攜帶
5、內置電子羅盤,自動找北
6、北斗與GPS雙模定位,最高精度0.1米
三、五要素車載氣象站技術參數
1、風速:超聲波原理,0~60m/s(±0.1m/s),可測真實風速
2、風向:超聲波原理,0~360°(±2°)
3、空氣溫度:測量原理二極管結電壓法,-40-60℃(±0.3℃)
4、空氣濕度:測量原理電容式,0-100%RH(±3%RH)
5、大氣壓力:測量原理壓阻式,300-1100hpa(±0.25%)
6、數據存儲:不少于50萬條;
7、功耗:1.75W
8、鋰電池:容量12000maH,續航時間≥50h
9、總重量:≤5kg;
10、布設時間:1人,不大于2分鐘完成布設;
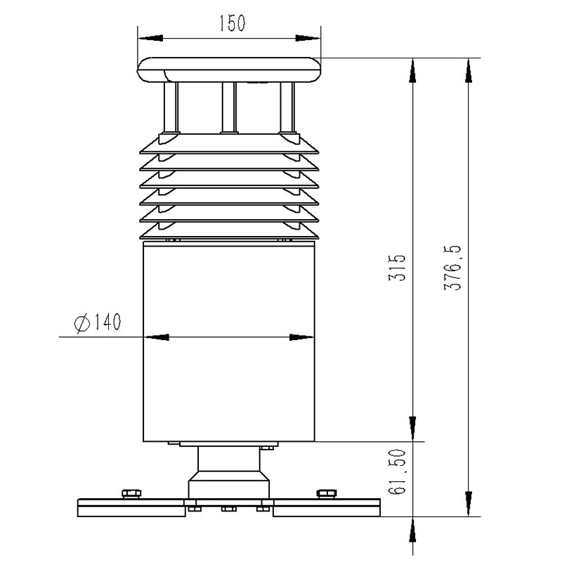
四、五要素車載氣象站尺寸圖


五、五要素車載氣象站上位機軟件介紹
1、PC單機版數據接收、存儲、查看、分析軟件
2、支持串口數據接收、處理、展示
3、支持json字符串、modbus485等通信方式
4、可自設置存儲時間,modbus485采集模式下可自設置采集時間
5、支持自助增加、刪除、修改監測參數的協議、名稱、圖標等
6、支持數據后處理功能
7、支持外置運行javascript腳本
文章地址:http://www.masydjx.com.cn/czqxz/652.html




